足場用ブラケット伸縮型枠ブラケット
用途
- 工事工程
- 地下工事
- 商品分類
- 足場関係
特長
- 足場板を2枚又は3枚敷きにできます
- 取付け、取外しが簡単です
仕様
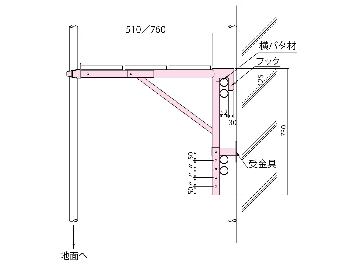
使用手順
- 横バタ材(φ48.6/□50)にフックを掛ける。
- 受金具を横バタ材のピッチに合わせて、トグルピンで固定する。
- ブラケット先端のクランプに単管を固定する。
注意事項
- 桟木に型枠ブラケットを取り付けないでください。
- 取付ピッチは1800m以下にしてください。
フォームが表示されるまでしばらくお待ち下さい。
恐れ入りますが、しばらくお待ちいただいてもフォームが表示されない場合は、こちらまでお問い合わせください。








用途
レンタルの流れ
よくあるご質問
当社商品見分け方
コラム
メルマガ購読
ネットショップ
お問い合わせ