吊り金具アイボルト
用途
- 工事工程
- その他
- 商品分類
- 機械工具関係
仕様
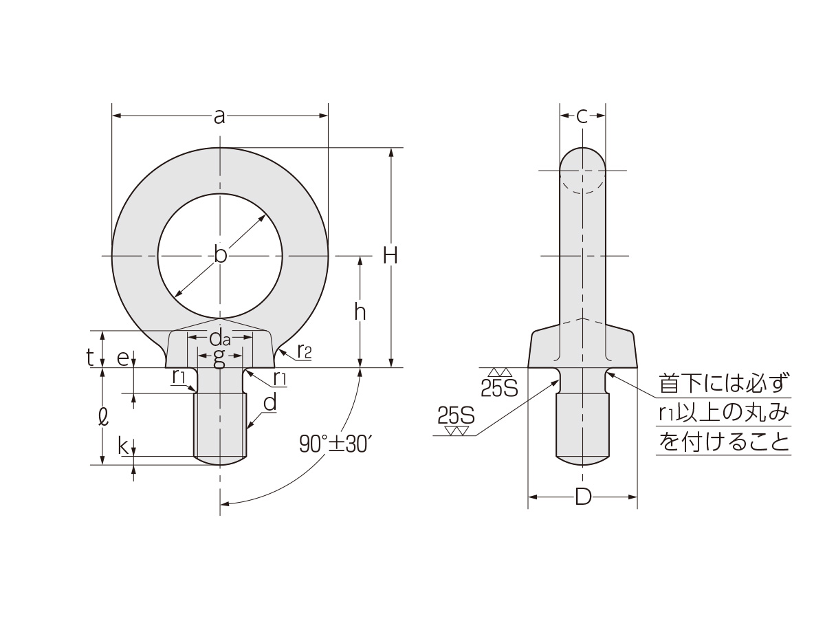
| 材質 | 鉄(SS400)ステンレス(SUS 304) | 表面処理 | 鉄(生地、ユニクロ、クロメート、ドブメッキ) |
|---|
※下記以外の首下サイズ(ℓ寸法)での製作も可能です。別途ご照会ください。
寸法はJIS B 1168-1994による
| ねじの呼び (d) |
a | b | c | D | t | h | H (参考) |
ℓ | e | g (最小) |
r1 (最小) |
da (最大) |
r2 (約) |
k(約) | 使用荷重(垂直吊りまたは2個で45゜吊り) | 自重 (㎏) (約) |
||
|---|---|---|---|---|---|---|---|---|---|---|---|---|---|---|---|---|---|---|
| Mねじ | Wねじ | |||||||||||||||||
| Mねじ | Wねじ | kN(㎏f) | kN(㎏f) | |||||||||||||||
| (6) | (1/4) | 26 | 16 | 5.8 | 13.5 | 6 | 14 | 27 | 14 | 2 | 4.5 | 0.8 | 7.1 | 2 | 1 | 0.588(60) | – | 0.016 |
| 8 | 5/16 | 32.6 | 20 | 6.3 | 16 | 5 | 17 | 33.3 | 15 | 3 | 6 | 1 | 9.2 | 4 | 1.2 | 0.785(80) | – | 0.03 |
| 10 | 3/8 | 41 | 25 | 8 | 20 | 7 | 21 | 41.5 | 18 | 4 | 7.7 | 1.2 | 11.2 | 4 | 1.5 | 1.47(150) | 1.37(140) | 0.06 |
| 12 | 1/2 | 50 | 30 | 10 | 25 | 9 | 26 | 51 | 22 | 5 | 9.4 | 1.4 | 14.2 | 6 | 2 | 2.16(220) | 2.16(220) | 0.12 |
| 16 | 5/8 | 60 | 35 | 12.5 | 30 | 11 | 30 | 60 | 27 | 5 | 13 | 1.6 | 18.2 | 6 | 2 | 4.41(450) | 3.92(400) | 0.22 |
| 20 | 3/4 | 72 | 40 | 16 | 35 | 13 | 35 | 71 | 30 | 6 | 16.4 | 2 | 22.4 | 8 | 2.5 | 6.18(630) | 5.88(600) | 0.39 |
| (22) | (7/8) | 80 | 44 | 19 | 40 | 16.5 | 43 | 84 | 35 | 7 | 18.5 | 2.3 | 24.4 | 10 | 2.5 | 7.74(790) | 7.84(800) | 0.56 |
| 24 | 1″ | 90 | 50 | 20 | 45 | 18 | 45 | 90 | 38 | 8 | 19.6 | 2.5 | 26.4 | 12 | 3 | 9.32(950) | 9.32(950) | 0.80 |
単位:㎜
※Wねじの寸法および使用荷重については、JIS B 1168-1960~1966に準じます。 ※( )は参考値です。
フォームが表示されるまでしばらくお待ち下さい。
恐れ入りますが、しばらくお待ちいただいてもフォームが表示されない場合は、こちらまでお問い合わせください。






用途
レンタルの流れ
よくあるご質問
当社商品見分け方
コラム
メルマガ購読
ネットショップ
お問い合わせ