狭締金具ロックマン
用途
- 工事工程
- 地下工事、鉄骨工事
- 商品分類
- 機械工具関係
特長
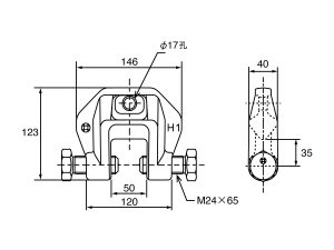
穴あけや溶接が不要で簡単施工
注意事項
- 接合する鋼材表面に、モルタルや泥、油等が付着している場合は、除去してから取り付けてください。
- 金具を取り付ける際は、鋼材フランジ先端が金具と接するよう一番奥まで確実に入れて取り付けてください。
- 片押しにならないよう、必ず両側のボルトが相手鋼材に食い込むようにボルトの長さを調整してください。
- 仮締め後は、トルクレンチを使用し規定トルクにて確実に締め付けてください。
- 本来の用途もしくは使用方法以外では絶対に使用しないでください。
各種ファイルダウンロード
フォームが表示されるまでしばらくお待ち下さい。
恐れ入りますが、しばらくお待ちいただいてもフォームが表示されない場合は、こちらまでお問い合わせください。




用途
レンタルの流れ
よくあるご質問
当社商品見分け方
コラム
メルマガ購読
ネットショップ
お問い合わせ