仮ボルト削減接合工法治具ハリーストッパー
安全第一、効率最大化。鉄骨建方の新常識!
用途
- 工事工程
- 鉄骨工事
- 商品分類
- 機械工具関係
特長
採用メリット
- 鉄骨建方にかかる高所作業の工数削減
- 鉄骨の接合作業の簡略化により、高所作業等のリスクを低減
- 仮ボルト落下に伴うリスクを低減
- 仮ボルトの搬入搬出費削減
- 工期短縮によるレンタル費削減
- 繰り返し使用可能な治具を使用することで、環境負荷を低減
従来品との違い
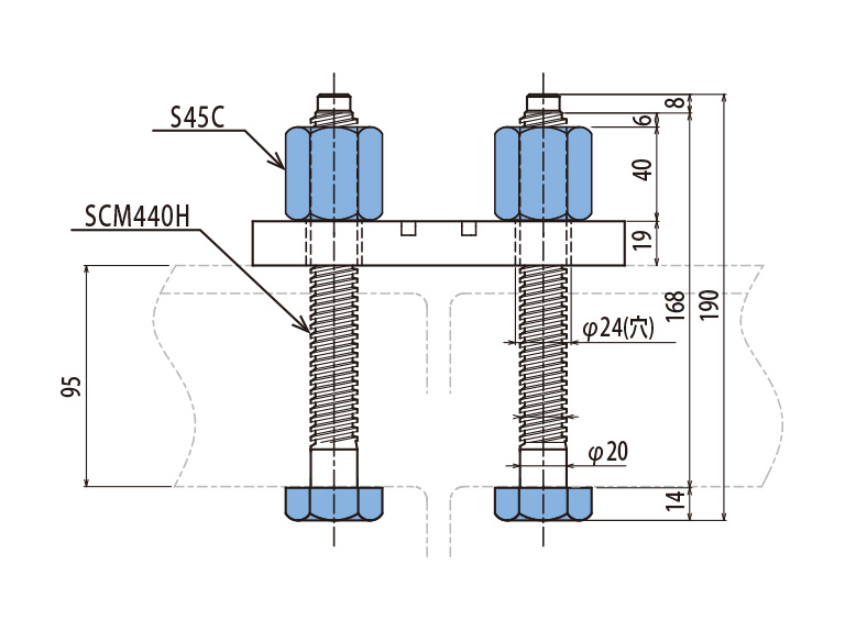
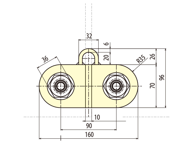
- 本体自重約3kgと軽量
- 払い込みと落とし込みどちらにも対応
- 150㎜の梁幅にも対応
- ネジ山が台形ネジで潰れにくい
オプション
二次落下防止ワイヤ
動画
安全にご使用いただくために
●適用可否を検討する強度計算を実施します。
JASS6に準じて現場ごとに仮固定時の風荷重や積載荷重等に対して、仮ボルト削減接合治具が破損しないことの確認が必要です。(※弊社にて別途確認計算を行います。)
●施工前に大同機械指導員により関係者全員へ取付手順の説明をします。
各種ファイルダウンロード
フォームが表示されるまでしばらくお待ち下さい。
恐れ入りますが、しばらくお待ちいただいてもフォームが表示されない場合は、こちらまでお問い合わせください。








用途


レンタルの流れ
よくあるご質問
当社商品見分け方
コラム
メルマガ購読
ネットショップ
お問い合わせ